Sci论文 - 至繁归于至简,Sci论文网。 设为首页|加入收藏
当前位置:首页 > 理工论文 > 正文

CO2 气体保护焊在铝加工设备不锈钢管道中的应用论文

发布时间:2022-09-08 10:03:22 文章来源:SCI论文网 我要评论














SCI论文(www.lunwensci.com):
 
  摘要:对某铝加工设备高压不锈钢管道的焊接工艺进行了研究,通过焊接工件试验、焊接工艺评定、焊缝化学性能分析、RT无损检测、压力试验等检验,焊缝达到了规范要求,满足使用和设计要求,从而总结出CO2气体保护焊焊接管壁厚δ10~30mm的高压不锈钢管道的焊接工艺是可行的,焊接工效高、成本低、焊缝成形质量好,具有推广应用价值。
 
  关键词:不锈钢管道;焊接;CO2气体保护焊
 
  1前言
 
  铝加工设备液压系统的高压管道,材质主要为不锈钢,规格从小管DN15至大管DN350不同型号,管壁厚δ3~30mm,规格多壁厚大,管道焊缝多,焊接量大,经RT无损检测焊缝必须达到一级要求。传统的焊接方法为钨极氩弧焊和焊条电弧焊相结合,即用钨极氩弧焊打底,由手工电弧焊盖面。随着铝加工行业的迅速发展,生产规模的不断扩大,施工周期要求逐渐缩短,运用传统的氩弧焊打底手工电弧焊盖面的焊接方法已无法满足施工周期的要求,研究探索一种焊接成本相对低、焊接效率高、成型好且质量稳定的焊接方法势在必行。本文主要论述了CO2气体保护焊焊接高压不锈钢管道的焊接工艺过程。

\
 
 
  2不锈钢管道焊接性能分析
 
  某铝加工设备高压不锈钢管道材质为奥氏体不锈钢,钢号为00Cr19Ni10,与其他不锈钢材质相比,具有良好的焊接性能,在任何温度下都不会发生相变,对氢脆不敏感,在焊态下奥氏体不锈钢接头也有较好的塑性和韧性,原则上不需要进行特殊的焊前预热和焊后热处理,但是应特别注意奥氏体不锈钢材质的物理性质,即奥氏体不锈钢的热膨胀系数高,约是低碳钢的1.5倍;导热系数相对低,约是低碳钢的1/3;比电阻高,约是低碳钢的4倍以上;这些物理性能加上金属的磁性、表面张力、密度等条件,造成了奥氏体不锈钢焊接的主要问题是:焊接变形量比普通碳钢要大得多,焊接应力也大,容易出现焊接热裂纹、脆化、晶间腐蚀和应力腐蚀等。因此,高压不锈钢管道焊接的关键是确定合理的焊接工艺参数,达到焊接变形量小、焊缝力学性能好、焊接效率高。
 
  3焊接方法、焊接材料及设备的确定
 
  3.1焊接方法的选定
 
  由由于奥氏体不锈钢具有良好的焊接性,几乎所有熔焊方法和部分压焊方法都可以焊接。但从经济、实用和技术性能方面考虑,不锈钢管道最好采用焊条电弧焊、惰性气体保护焊等。不锈钢因化学成分、组织状态、物理和力学性能等方面存在差异,因而对不同焊接方法有不同的适应性,焊条电弧焊适应厚度>1.5mm的焊件,薄板不易焊透,焊缝余高大;钨极氩弧焊适应厚度0.5~3mm的焊件,大于3mm可多层焊,但效率不高;熔化极氩弧焊适应厚度3~8mm的焊件,开坡口,可单面焊双面成型或者多层焊。
 
  根据上表对比结果,结合某铝加工设备高压不锈钢管道的管壁内洁净度要求极高的特点,为防止管道内壁背面焊道表面氧化和获得良好成型,首选熔化极氩弧焊的焊接方法,可实现单面焊双面成型的效果,同时第一道焊缝施焊时,其背面还需要加氩气保护,确保管道内壁光滑洁净。高压不锈钢管道多为厚壁管,即管壁厚大于3mm以上,综合考虑施工成本和施工效率,管壁厚3~8mm,现场选用开坡口氩弧焊打底和手工电弧焊盖面相结合来完成,因为焊条电弧焊热量比较集中,热影响区小,焊接变形较小;能适应各种焊接位置与不同管壁厚的工艺要求;所用设备也比较简单。此外,现在所用的焊条类型、规格和品种多,且配套齐全。但是,焊条电弧焊对清渣要求高,易产生气孔、夹渣等缺陷,对焊工的技术要求较高。由于手工氩弧焊焊接效率较低,目前已无法满足行业快速发展和短期建设投产的需求。
 
  对于管壁厚大于8mm的不锈钢管道,开坡口氩弧焊打底和手工电弧焊盖面相结合的方法,效率太低,无法满足施工生产的需求,经探索实践、多次试验,确定采用熔化极氩弧焊的焊接方法,保护气体用CO2。它的优点是焊接效率高(约为普通手工氩弧焊的3~5倍)、焊接成本低、操作性能好,焊接变形小、焊缝成型美观,焊接质量稳定且易保证。虽然奥氏体不锈钢合金元素过渡系数高,由于氩气保护效果好,焊缝部分化学成分容易控制,即使热源集中于焊缝区域,由于受到氩气的保护和冷却作用,对焊接的热影响区范围相对较窄,焊接质量容易保证,而且焊后不需清渣,缺点是设备较复杂,一般须使用直流弧焊电源,成本较高,优点是焊接速度快、效率高。
 
  结论:高压不锈钢管管壁厚大于3mm小于8mm,采用开坡口氩弧焊打底+手工电弧焊盖面的焊接方法;高压不锈钢管管壁厚大于8mm,采用开坡口氩弧焊打底+熔化极气体保护焊(保护气体用CO2)的焊接方法。
 
  3.2确定焊接材料
 
  3.2.1不锈钢焊条(焊丝)的型号选用
 
  熔化极气体保护焊用的焊丝包括实心焊丝和药芯焊丝。焊接时,焊丝既作填充金属又作导电的电极。在焊接过程中,焊丝的化学成分和保护气体相配合,影响焊缝金属的化学成分,而焊缝金属的成分又决定着焊件的化学性能和力学性能。所以,在选用焊丝时,首先考虑母材的化学成分和力学性能,其次是要分析与保护气体相配合。应根据熔敷金属的化学成分、焊接位置、药皮类型、和焊接电流的种类来选择。依据焊接规范和不锈钢焊条型号选择手册及不锈钢管道母材材质,最终确定了钢号为0Cr18Ni9的不锈钢焊条,型号为ER308,焊条牌号为A102。手工焊焊条直径为Φ2.4mm,CO2气体保护焊所用焊丝为药芯焊丝,直径为Φ1.2mm。CO2气体保护焊焊丝选用药芯焊丝,因为药芯焊丝与实芯焊丝相比有如下有点:CO2气体保护焊飞溅少、力学性能好,且熔敷效率高、抗风能力强,常用于野外施工。近年石油、化工、铝加工等行业用药芯焊丝焊接奥氏体不锈钢也得到大力推广应用,同时随着国内不锈钢药芯焊丝性能的提高,药芯焊丝焊接奥氏体不锈钢管道已完全可以满足生产需要。
 
  3.2.2保护气体的选用
 
  熔化极气体保护焊焊接不锈钢普遍采用的保护气体是惰性气体,工程上通常使用Ar、He或者二者混合,由于惰性气体与液态金属不发生冶金反应,惰性气体包围在焊接区周围,使之与空气隔离,所以电弧燃烧相对稳定,熔滴向熔池过渡平稳、安定、无激烈飞溅,焊接效果很好。也有使用的保护气体是由惰性气体和少量氧化性气体或者两种混合而成,通常情况下使用的氧化气体是O2、CO2,惰性气体是氩气。焊接过程中加入少量氧化性气体的目的,是在惰性气体电弧特性基本不改变的条件下,进一步提高电弧的稳定性,改变焊缝成形和降低电弧辐射强度,这种方法常用于黑色金属的焊接,不锈钢焊接基本不采纳。目前焊接效率高、成本低的保护气体有用CO2气体的,CO2气体来源容易、价格低廉,但是因它的热物理特性和化学特性,必须在焊接过程中从设备、工艺、焊丝等方面采取措施,才能达到良好的焊接效果。目前有很大发展前景的是用CO2气体保护药芯焊丝焊接,即在焊丝内部装有粉状焊剂,通过调整焊剂的各种合金元素的含量,可以达到改善焊接工艺性能、提高焊缝的力学性能和焊缝接头的内外质量。
 
  综合上述分析:氩弧打底焊的保护气体选用氩气,熔化极保护焊的气体选用CO2气体。
 
  3.2.3焊接设备的选用
 
  熔熔化极气体保护焊主要用的是半自动焊接,半自动焊接相配套的设备较复杂,主要设备由焊接电源、焊枪、送丝机、供气系统、冷却系统和控制系统组成。焊接电源一般采用直流电源,极性采用反接。熔化极气体保护焊的焊枪选用的是半自动焊枪,即手握式的,但对焊枪性能有一些要求:必须有一个导电嘴将焊接电流传递给焊丝,导电嘴的导电性能要好、耐磨、熔点高;焊枪必须有冷却系统,通常采用的是水冷;手握式焊枪应轻便灵活、结构紧凑、便于操作。根据上述焊接方法相匹配的焊接设备的要求,结合现场施工情况可以用氩弧焊机也可以用CO2焊机,施工中用的设备型号为ZX7-400、NB-5000。

\
 
 
  4焊接工艺参数的确定
 
  某80MN吨拉伸机设备安装工程液压系统高压不锈钢管道采用熔化极气体保护焊不锈钢药芯焊丝进行半自动焊接,电流采用直流电源,极性采用反接,焊丝牌号ER308,焊丝直径1.2mm,使用氩弧焊机,对60.3×11.07和168.3×21.92两个规格的不锈钢管对口试件现场焊接并进行了焊接工艺试验,经过对同一型号焊接设备的工作电流、工作电压、焊接速度、保护气体流量等各参数的合理匹配,得出了一组焊缝外观成形好、飞溅少、焊缝化学性能好的焊接参数:对于壁厚12~22mm的不锈钢管道,使用填充材料为ER308/1.2mm焊丝,开“V”型或“U”型坡口,焊接3~4层,工作电流为140~180A,工作电压为22~26V,焊接速度为8~12cm/min,气体流速为20~25L/min。
 
  试件焊接完成,首先清理焊缝表面的氧化膜,接着对焊缝的外观质量进行了检查,焊缝外形均匀,焊道与焊道、焊道与基本金属之间过渡平滑,焊缝宽度、表面凹凸、焊缝余高及余高差在允许范围内。焊缝表面没有出现未熔合、焊瘤、咬边、表面气孔、裂纹等外观缺陷。该工程研究部分的管道为高压管道,强度试验压力为370bar,工作压力为315bar,因此对试件进行了耐压试验,压力试验合格后,进一步对焊接试件进行了破坏性检查,以检验焊缝的各种力学性能、化学成分和金相组织为目的。依据焊缝检验的规范要求对焊接试件的焊缝进行了拉伸试验、弯曲试验、RT无损检测,结果表明焊缝的力学性能能够达到国家标准要求,焊缝各项化学成分也能够满足要求,而且CO2气体对焊缝无增碳现象,未发现焊缝内部有未熔合、未焊透、气孔等缺陷,由此得出结论:CO2气体保护焊焊接奥氏体不锈钢高压管道是可行的。
 
  5管道焊接技术
 
  5.1一般要求
 
  不锈钢管道焊接要有专用的场地,一般都是在车间集中焊接,也有现场随管道安装位置移动焊接,焊口多数为可转动的活口,施工所使用的管口组对工具、管口及焊缝的清理工具等必须采用不锈钢材质,现场如有碳钢零部件必须分开存放,严禁不锈钢管件、工具与碳钢件混放,以避免铁离子的污染。
 
  5.2焊前准备
 
  5.2.1管材下料
 
  不锈钢管下料时要尽量采用机械切割或等离子方法切割,不锈钢管在下料前应确认好管子的材质和规格,进行详细的外观质量检查,管子表面不允许有撞伤、裂纹、龟裂、砂眼、压扁和分层等缺陷。应使用专用的砂轮片来完成不锈钢管的砂轮切割或修磨,使用等离子切割时应留有一定余量,以便于清除淬硬层。
 
  小管径一般采用无齿锯切割或者锯床切割,这种方法成形质量好,但是速度慢,效率低,往往不能够满足批量生产需要,仅用于少量加工。大管径施工现场一般采用等离子切割机下料,等离子切割不锈钢管速度快、效率高,但切割质量不如机械切割的好,切割口较粗糙。采用等离子切割下料不锈钢管时,切口部分应留有一定的机械加工余量,以便于进行下道工序前除去淬硬层及过热金属部分。切割时应在割口周围涂一层白垩粉,以减少切割产生的飞溅对管口表面的影响,同时去除热影响区以保证下一道工序焊接的质量。
 
  不锈钢管管口切割面质量应满足以下要求:管子切割口端面应平整顺滑,无氧化物、铁屑、裂纹、重皮、缩口、熔渣、毛刺、凸凹等缺陷;切口端面倾斜偏差度不得大于管子外径的1%,且应控制在3mm内。
 
  5.2.2确定坡口形式
 
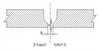
  坡口角度、坡口面角度、钝边高度与根部间隙之间存在着某种相关关系。坡口角度或坡口面角度减小时,根部间隙必须加大。根据设计图纸及焊接要求,既要达到全熔透之目的又要满足管道内壁洁净度的要求,不锈钢管壁厚3mm以上要进行坡口处理,即管壁厚3~20mm的管口加工为“V”型双边35°坡口,根部间隙2.5≤a≤3,钝边1≤δ≤1.5,见图1;管壁厚20~30mm的管口加工为“U”型坡口,根部间隙2.5≤a≤3,钝边1≤δ≤1.5,见图2。
 

\
  图1“V”型双边35°坡口

\
  图2“U”型坡口
 
 
  5.2.3坡口加工
 
  不锈钢管道坡口加工可以采用等离子弧热加工的方法,也可以采用机械加工方法。通常情况下,现场采用坡口机来加工不锈钢管道焊接坡口。在工期紧任务重的情况下,单纯用坡口机加工不锈钢管道坡口,很难满足施工生产的需求,现场施工可以用等离子切割来辅助坡口机加工坡口,即先用等离子切割去除坡口处大部分管子厚度,除去表面的氧化皮、熔渣及影响接头质量的表面层,然后用带有专用砂轮片的磨光机对切割过的管口位置凹凸不平处进行打磨处理找平,去除较大块铁渣,粗略找平坡口,确保坡口初加工全部为正偏差,然后将找平后的不锈钢管放到坡口机上进行二次加工,加工完成并清理污垢,对于不能使用坡口机加工的小管径,数量少的也可以直接用角磨机打出坡口。
 
  加工完成后先进行外观检查,确保坡口内及周围边缘20mm内不锈钢管母材无坡口破损、裂纹、毛刺、重皮、等缺陷。外观合格的再使用专用焊缝检验尺或其他测量工具对焊缝坡口各部位形状、尺寸、长度及斜度等进行测量,符合坡口设计要求。
 
  5.3管道组对焊接
 
  5.3.1管道焊口组对
 
  管道对接采用“V”型双边35°坡口和“U”型坡口形式,接口间隙为2.5~3mm,管口对接前再次检查管口及管内有无杂物、油污,确保管口清理干净。为了确保对接精度和焊接变形控制,预先制作好专用组对胎具,先在专用胎具上对接好管口,再由专人用钢板尺、拐尺检查管道平直度、对口间隙和错边量,合格后由焊工对接口四点对称点焊。清理并组对合格的管口及时进行焊接。
 
  5.3.2焊接
 
  对于管道壁厚小于3mm的不锈钢管,直接采用手工氩弧焊来完成。对于管道壁厚大于3mm小于8mm的管口须开“V”型坡口,采用多层多道焊,用手工氩弧焊来完成。对于管道壁厚大于8mm小于20mm的管口对接焊接,加工为“V”型坡口,先用手工氩弧焊打底焊一遍(单面焊双面成形),后续用不锈钢药芯焊丝CO2气体保护焊多层环形焊接(3~4层),边转动管子边焊接。对于管道壁厚大于20mm小于30mm的管口对接焊接,加工为“U”型坡口,先用手工氩弧焊打底焊一遍(单面焊双面成形),不锈钢药芯焊丝CO2气体保护焊多层环形焊接(3~5层甚至更多),边转动管子边焊接。在进行多层多道焊接时,焊接过程中要严格控制每层每道焊缝的层间温度不超过150℃并去除层间飞溅氧化物。现场施工经验,每层环焊缝焊接完成间隔15-20分钟即可进行下一层焊接。
 
  不锈钢药芯焊丝CO2气体保护焊容易出现气孔现象,为避免此现象的发生,需采取以下措施:首先选择合适的气体流量,气体流量太大太小都会造成焊缝产生气孔,通过调试CO2气体流量为20~25L/min为最佳;其次,在CO2气体使用前将气瓶倒置24h后放水1~2次,在CO2气瓶出口处安装预热器和高压干燥器,预热器的作用是防止CO2从高压降至低压时吸热而引起气路结冰堵塞,高压干燥器用来除去气中的水分,通常还可以在减压之后再安装一个低压干燥器,进一步吸收气体中的水分,避免焊缝中产生气孔。再次焊丝开包后应尽快用完,并存放于干燥、通风的环境中。焊接时焊接位置采用平焊略带爬坡(向上倾斜15°)的方式,即焊枪角度与工件成75°~85°夹角,焊枪摆动速度和摆动幅度要均匀,即呈小幅度锯齿形摆动,具体摆动参数由焊工自己掌握,以熔合两侧母材而不产生咬边缺陷为宜。
 
  6焊后检验
 
  液压系统高压不锈钢管道焊接完毕,首先清理焊缝表面的氧化膜,接着对焊缝的外观质量进行了检查,焊缝外形均匀,焊道与焊道、焊道与基本金属之间过渡平滑,焊缝宽度、表面凹凸、焊缝余高及余高差在允许范围内。焊缝表面没有出现未熔合、焊瘤、咬边、表面气孔、裂纹等外观缺陷。接着对管道进行了压力试验,强度试验压力为370bar,试验时间10分钟,严密性试验压力为315bar,保持时间30分钟,管道系统打压一次成功,压力试验合格后,经RT无损检测焊接一次合格率达到了98%,各项指标均达到了图纸和规范的要求。
 
  7效果
 
  经现场采用氩弧焊打底+CO2气体保护焊与传统手工氩弧焊对比测定,一个焊工焊接114.3×17.12的不锈钢高压焊口全部用手工氩弧焊焊接,一个工作日可以焊2个焊口,改用手工氩弧焊打底+CO2气体保护焊焊接114.3×17.12不锈钢高压焊口一个工作日能焊接5~6个焊口,焊接效率大大提高,同时,也节约了材料费等。就我公司某拉伸机系统来说,不锈钢管道焊接节约了人工费18400(元),节约了材料费9920元,节约了机械费3542元,节约了电费3291.6元,共节约成本35158.6元。
 
  8总结
 
  采用熔化极气体保护焊(CO2气体)药芯焊丝焊接液压系统高压不锈钢管道在某80MN铝板拉伸机设备安装工程中的的应用,经焊缝化学成分分析、拉伸试验、弯曲试验、RT无损检测、压力试验等检验,焊缝满足使用要求、设计图纸要求及国家规范的要求,与常规氩弧焊对比,熔化极气体保护焊(CO2气体)焊接铝加工设备液压系统高压不锈钢管道具有焊接效率高、焊缝区域影响小、焊接变形小、焊接质量好、节能环保、焊接成本低等优点,有一定的发展前景,具有推广价值。因此,熔化极气体保护焊(CO2气体)药芯焊丝焊接高压不锈钢管道管道是可行的。
 
关注SCI论文创作发表,寻求SCI论文修改润色、SCI论文代发表等服务支撑,请锁定SCI论文网!
 

文章出自SCI论文网转载请注明出处:https://www.lunwensci.com/ligonglunwen/42843.html

发表评论

Sci论文网 - Sci论文发表 - Sci论文修改润色 - Sci论文期刊 - Sci论文代发
Copyright © Sci论文网 版权所有 | SCI论文网手机版 | 鄂ICP备2022005580号-2 | 网站地图xml | 百度地图xml