Sci论文 - 至繁归于至简,Sci论文网。 设为首页|加入收藏
当前位置:首页 > 教育论文 > 正文

等效电阻在变压器动态电路分析中的应用论文

发布时间:2024-02-05 14:43:05 文章来源:SCI论文网 我要评论














SCI论文(www.lunwensci.com)
 
   摘 要 : 变压器问题是近几年高考考查的重点,也是学生困扰的问题.动态电路分析又是一大 难点,当学生在遇到变压器和动态电路结合的综合问题时,往往无从下手.本文首先推导等效电阻 公式,通过在实际问题中应用常规方法和等效电阻法进行对比,说明等效电阻法可以将多回路问题简化为单一回路问题,将复杂问题简单化,更便于学生理解和解题.

  关键词 : 变压器,等效电阻,动态电路,远距离输电

  1 等效电阻公式的推导
\
\

 
  2 等效电阻在动态电路分析中的应用

  2.1 解决负载电阻 R 不变,变压器匝数比变化的问题

\
\

 
  例 1 如图 3 所示为一自耦变压器的电路图, 其特点是铁芯上只绕有一个线圈.把整个线圈作为 副线圈,而取线圈的一部分作为原线圈.原线圈接在电压为 U 的正弦交流电源上,电流表 A1 、A2 均为理想交流电表.当触头 P 向上移动时,下列说法正确的是( ) .

\
 
  A.A1 读数变小,A2 读数变小

  B.A1 读数变大,A2 读数变小

  C.变压器输入功率变小

  D.变压器输入功率变大
\
\
 

     正弦交流电压 U 不变,故电流 A1 变小.进而可知变压器输入功率 P = UI1 变小.

  2.2 解决变压器匝数比不变,负载电阻 R 变化的问题

 
 通过等效电阻法将电路等效为单一回路动态电 路分析,可以直接通过动态电路分析的方法得到各部分的变化情况.

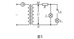
  例 2 如图 5 所示,理想变压器原线圈接电压 有效值不变的正弦交流电,副线圈接灯泡 L1 和 L2 , 输电线的等效电阻为 R , 开始时 S 断开.现接通 S,以下说法正确的是( ) .

\
 
  A.M、N 两端输出电压 U 减小

  B.等效电阻 R 的电压增大

  C.灯泡 L1 的电流增大

  D.电流表的示数减小

  常规解法 : 理想变压器的输出电压由输入电 压和匝数 比 决 定,由于输入电压和匝数比不变, 所以副线圈的输出的电压也不变,A 错 误 ; 当 S 接通后,两个灯泡并联,电路的电阻减小,副线 圈 的电流变大,所 以通过 电 阻 R 的 电流变大,电压 变大,那么并联部分的电压减小,所 以通过灯泡 L1 的电流减小,灯泡 L1 变 暗,B 正确,C 错误 ; 当 S 接通后,两个灯泡并联,电路 的 电 阻减小,副线 圈的 电 流 变 大,所以原线圈的电流也 变 大,D错误.


\
 
  等效电阻解法 : 如图 6.通过等效电阻法将电路 等效为单一回路动态电路分析.在 S 断开时,回路为 串联.当 S 接通后,由串联电路变为并联电路,电路 总电阻减小,由总电压不变,故而干路电流增大,所 以电流表的示数增大,A、D 错误 ; 同时可知等效电 阻 R 的电压增大,B 正确.由于电阻 R 电压增大,总 电压不变,所以灯泡两端电压减小,所以灯泡 L1 的电流减小,C 错误.

  2.3 解决远距离输电中的动态电路问题

  例 3 如 图 7 所示为远距离输电示意图,其 中 T1 、T2 为理想变压器,输电线电阻可等效为电 阻 r,L1 、L2 为两个规格相同的灯泡,且 阻值不变. 现保持变压器 T1 的输入电压不变,滑 片 P 位置 不变,当开 关 S 断开 时,灯 L1 正 常 发光.则 下 列说法正确的是( ) .


\

 
  A.仅闭合开关 S,灯 L1 会变亮

  B.仅闭合开关 S,r 消耗的功率会变大

  C.仅将滑片 P 下移,r 消耗的功率会变小

  D.仅将滑片 P 上移,电流表示数会变大
\
\
\
 
  通过以上几类问题的分析可以发现,高中阶段 关于理想变压器类的问题实际所需的计算量较小, 但是分析思路步骤繁多,通过两种解题方法我们也可 以发现,等效电阻法可以帮助学生快速理清电路结构, 分析出动态变化过程,思路清晰快捷.对于远距离输电问题也能进行多次等效,判断出总体动态变化.

  参考文献 :

  [1]王金淼.交变电流教学应注重的几个细节问题 [J].中学教学参考,2020(2) : 47-48 .
 
关注SCI论文创作发表,寻求SCI论文修改润色、SCI论文代发表等服务支撑,请锁定SCI论文网!

文章出自SCI论文网转载请注明出处:https://www.lunwensci.com/jiaoyulunwen/72806.html

发表评论

Sci论文网 - Sci论文发表 - Sci论文修改润色 - Sci论文期刊 - Sci论文代发
Copyright © Sci论文网 版权所有 | SCI论文网手机版 | 鄂ICP备2022005580号-2 | 网站地图xml | 百度地图xml