Sci论文 - 至繁归于至简,Sci论文网。 设为首页|加入收藏
当前位置:首页 > 教育论文 > 正文

串级控制系统中控制器正反作用选择的一种改进教学方法论文

发布时间:2021-05-14 09:39:27 文章来源:SCI论文网 我要评论














SCI论文(www.lunwensci.com):

摘要:教师在教学过程中应对传统的教学内容和教学方法进行改进,使学生更好地理解和掌握相关内容。本文针对串级控制系统中主控制器作用方向选择部分的教学内容,提出了一种改进的教学方法,通过多年的教学实践发现,改进的教学方法使学生容易理解和掌握,应用起来也更加方便。

关键词:串级控制系统;主控制器;正反作用

本文引用格式:万敏.串级控制系统中控制器正反作用选择的一种改进教学方法[J].教育现代化,2020,7(46):68-70.

An Improved Teaching Method for Selecting the Positive and Negative Action of Controller in Cascade Control System

WAN Min

(College of Mechanical and Electrical Engineering of Southwest Petroleum University,Chengdu Sichuan)

Abstract:In the process of teaching,teachers should improve the traditional teaching content and teaching methods,so that students can better understand and master the relevant content.According to the teaching content of the main controller's action direction selection in the cascade control system,this paper puts forward an improved teaching method.Through many years of teaching practice,it is found that the improved teaching method makes students easy to understand and master,and it is more convenient to apply.

Key words:Cascade control system;Main controller;Positive and negative actions

一 引言

《过程控制与仪表》、《化工仪表及自动化》,和《自动检测技术》等课程教学内容中均涉及到复杂控制系统,而串级控制系统是最典型且应用最为广泛的复杂系统之一[1]。串级控制系统就是由两个被控变量、两个控制器、两个测量变送元件,以及两个反馈回路所组成的双回路系统;主被控变量是反映主要性指标的工艺参数,是实际所需要控制的变量;副变量是为了更好地维持主变量的稳定所引入的一个中间变量,主变量由主测量变送元件进行测量,并将测量值送往主控制器,主控制器给出控制命令并送往副控制器,副控制器接收主控制器的输出,以及来自副测量变送元件所送来的副变量的测量值,按照一定的控制规律给出控制命令送往执行器,最后通过执行器调节操纵变量,实现对副变量的调节,从而进一步控制主变量。由于主控制器的输出送往副控制器,主副两个控制器是串接工作的,因此这个系统称为串级控制系统[2,3]。

\

 
在串级控制系统的教学过程中,因为该系统结构比简单控制系统复杂,作用机理也更难以理解,因此在讲授的过程中除了结合工程实例帮助学生理解之外,教师还应该对讲授的方法方式进行探索,将复杂的原理以更为清晰简单的方式讲解出来,使逻辑更为清晰简明,以便学生更好地进行理解和掌握。在讲解的过程中,一般是先通过简单控制系统在对象之后大,且干扰频繁时控制效果差的缺点,从而引入串级控制系统,逐步为学生厘清串级控制系统的结构、原理和设计方法。串级控制系统的优越性主要是因为副回路的引入,副回路可以将进入副回路的干扰及时地进行克服,防止干扰影响主变量,具有快调粗调的特点;对于进入主回路的干扰,通过副回路也会加快调节过程,对于大部分干扰都会由副回路及时地进行克服和消除,波及到主变量的干扰再通过主回路进一步进行细调和慢调。

串级控制系统主变量的选择和简单控制系统一致,副变量的选择根据干扰的特点和被控对象性质进行选择,最后串级控制系统的设计就落脚于正确的设计主控制器和副控制。主副控制器的控制规律根据两个回路的特点,一般情况下分别选择比例积分和比例控制规律。从历届学生的学习情况来看,难点就是主副控制器的正反控制作用的选择。对于副控制器来讲,由于副回路就是一个简单控制系统,可以遵循简单控制系统控制器正反作用规则进行设计,相对容易理解。但主控制的正反作用选择是教师在教授过程中需要强调的关键点。从现有的各种教材和参考书来看,串级控制系统中主控制器作用方向的选择一般按下述方法进行:当主、副变量在增加(或减小)时,如果由工艺分析得出,为使主、副变量减小(或增加),要求控制阀的动作方向是一致的时候,主控制器应选“反”作用;反之,则应选“正”作用。该方法在各类教材和参考书上广泛应用,但稍显繁琐,使学生难以理解,为了更好地促进学生深入理解,而不是单纯的死记硬背规则,本文将介绍一种相对更为简单且直接的主控制器正反作用方向的选择方法[2,3]。

二 串级控制系统的结构

为了让学生理解清楚控制器正反作用的设计原理,首先需要掌握串级控制系统的结构,具体如图1所示[2,3]。由于被控对象时间常数很大,控制通道太长,所以控制不及时,因此将对象分为主对象和副对象两部分,作用在副对象上的大部分干扰通过副回路可以快速地进行克服,影响到主变量的干扰再通过主回路进行慢调和细调[2,3]。

三 主副控制器正反作用选择

从图1可以看出,副回路是由副控制器、执行器、副对象和副测量变送元件组成的具有负反馈性质的内回路,为了让副回路保持负反馈特点,副控制器、执行器和副对象三者必须为奇数个反作用,因此可以根据副对象和执行器的正反作用来确定副控制器的作用方向[4-6]。

\
 
对于主控制器作用方向的选择,是本文重点分析的内容。首先来分析副回路的特点,副回路是一个随动控制系统,当副回路的输入(主控制器的输出)变化时,要求在副控制器的控制下,副回路的输出,即副变量跟随其输入的变化而变化,所以整个副回路在串级控制系统中相当于是一个正作用的环节,因此可以将串级控制系统的方块图简化为图2所示。


\


若主对象为正作用,主控制器则为反作用;主对象为反作用,主控制器则为正作用[8,9]。和传统的判断方法相比较,本文所介绍的判断方法简洁明了,既可以让学生充分理解该方法的原理,并且在实际运用中方便简单,不易出错。下面举例进行说明。

为了使图2所示的系统为负反馈,即主控制器、副回路和主对象必须为奇数个反作用。根据以上分析,由于副回路始终为正作用方向,则主控制器和主对象中有且仅有一个是反作用,则可保证图2中的系统为负反馈工作特性。考虑主测量变送器[7]和副回路已为正作用,最后,我们得到主控制器正反作用方向的设计原则:为了保证主回路为负反馈控制,则主控制器的正反作用方向必须与主对象相反,

四 工程实例

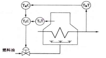
例1:如图3所示的原料油出口温度串级控制系统。原料油出口温度为主变量,炉膛温度为副变量,在平衡状态时,系统中所有的变量都处于相对静止的平衡状态,此时燃料油阀门的开度也保持不变,因此燃料油流量也不变。某个时刻,若副变量炉膛温度受到干扰的影响发生了变化,例如燃料油管道压力,或者是燃料油组分等发生了变化,这类干扰将首先导致副变量θ2偏离其原来的平衡状态,当副测量变送元件将副变量的测量值送给副控制器T2C时,由于产生了偏差,因此副控制器的输出将变化,从而调节阀门开度,改变燃料油流量,通过燃烧释放出热量,快速地将副变量控制回到原来的平衡状态。

\
 
另一种情况是,原料油本身的进口流量以及进口温度也可能发生变化,此时就算炉膛温度不变,这类干扰也会导致主变量θ1偏离给定值,所产生的偏差使主控制器T1C的输出变化,即副控制器T2C的设定值变化,此时通过副回路的快速的随动调节的能力,使副变量跟随副控制器的设定值的变化而变化,及时的改变炉膛温度,从而将主变量控制回到给定值上。串级控制系统中主副控制器协同工作,具有快速地克服干扰和更好地提高原料油出口温度的特点。

副控制器的作用方向和简单控制系统的判断方法一致,因此不再赘述,这里主要介绍主控制器的正反作用方向的判断问题。按照现有教材上的传统方法选择:图3所示的管式加热炉串级控制系统,若主变量θ1受干扰影响上升时,需要减少燃料量,因此要求燃料阀门开度减小;当主变量不变时,若副变量θ2受到干扰影响上升,同样要求阀门关小,由以上分析得出,主变量θ1上升时和副变量θ2上升时都是要求阀门关小,因此按照现有教材方法,主控制器应设计为反作用[2,3]。



\


按照本文方法选择:当副变量θ2升高时,主变量θ1升高,因此主对象为正作用方向,所以主控制器应选反作用。

例2:图4是所示的串级控制系统中,被冷却物料的出口温度为主变量,冷剂流量为副变量。由于冷剂管道压力经常变化,严重影响主变量的稳定,为了提高主变量的控制质量,因此将冷剂流量选为副变量,构成温度-流量串级控制系统,此时,副变量也是操纵变量,副对象通道很短,控制非常及时。

按照传统方法选择:若主变量受到干扰影响上升时,需要将阀门开大增大冷剂量;若副变量上升时,需要关小阀门,使冷剂流量保持不变,管道压力波动的干扰影响到主变量。由以上分析可知,主变量上升和副变量上升,一个要求阀门关小,一个要求阀门开大,对阀门方向要求是不一致,因此主控制器应选正作用[2,3]。

按照本文方法选择:主对象输入为冷剂量,输出为被冷却物料温度,当冷剂量增大时,被冷却物料温度降低,故主对象为反方向,则主控制器应选正作用。

从以上2个例子可以看出,本文介绍的串级控制系统主控制器的选择方法和传统判断方法选择结果一样,说明该方法正确有效,而且简单易行,不易出错,学生更容易掌握、理解和应用。

五总结

本文针对《过程控制与仪表》、《化工仪表及自动化》,以及《自动检测技术》等课程中关于串级控制系统主副控制器正反作用方向选择方面的教学内容进行了深入讨论。现阶段大部分有关教材对于主控制器的正反作用方向的判断方法比较复杂,学生难以理解和应用,因此本文介绍了一种改进的判断方法,经过多年的教学实践,发现该方法在实际教学过程中,使学生更容易理解、掌握和应用,和传统方法相比较,更受学生欢迎。

参考文献

[1]权悦,汪婵,徐朝胜.基于“链式教学法”的《过程控制与仪表》课程教学研究[J].教育现代化,2017,48(4):169-171.
[2]厉玉鸣.化工仪表及自动化[M].北京:化学工业出版社,2003.
[3]何道清,谌海云,张禾.仪表与自动化[M].北京:化学工业出版社,2008.
[4]张天宇.调节器正反作用的判定方法[J].化工设计,2019,29(4):38-42.
[5]杨森,刘真.浅谈自控系统中各环节正反作用的判定[J].山东化工,2015,44(18):96-97.
[6]李安林.化工控制回路中调节器作用方向的判断[J].安阳大学学报,2003(04):19-20.
[7]石明江,等.《传感器原理与应用》课程教学改革与实践[J].教育现代化,2019,44(6):62-64.
[8]孟庆建.在串级控制系统中主控制器作用方向判定方法的改进[J].中国现代教育装备,2008(04):38-39.
[9]薛薇,白瑞祥.主控制器正反作用的简易判别式[J].天津轻工业学院学报,1997(01):50-53.

关注SCI论文创作发表,寻求SCI论文修改润色、SCI论文代发表等服务支撑,请锁定SCI论文网!
文章出自SCI论文网转载请注明出处:https://www.lunwensci.com/jiaoyulunwen/31065.html

相关内容

发表评论

Sci论文网 - Sci论文发表 - Sci论文修改润色 - Sci论文期刊 - Sci论文代发
Copyright © Sci论文网 版权所有 | SCI论文网手机版 | 鄂ICP备2022005580号-2 | 网站地图xml | 百度地图xml